Tuy nhiên, trong quá trình đo PD, việc nhiễu vầng quang (corona discharge) xuất hiện tại các đầu cực luôn là thách thức lớn, gây sai lệch kết quả và khiến việc phân tích trở nên phức tạp. Từ thực tiễn đó, người kỹ sư Nguyễn Trường Hải đã trình Lãnh đạo Công ty Thí nghiệm điện miền Nam (TNĐMN), trực thuộc Tổng Công ty Điện lực miền Nam (EVNSPC) thành lập nhóm nghiên cứu và cho ra đời sáng kiến “Vòng Corona”, một thiết bị nhỏ gọn nhưng mang lại hiệu quả kỹ thuật vượt trội, giúp loại bỏ hoàn toàn nhiễu vầng quang trong quá trình đo PD, nâng cao độ chính xác và uy tín trong công tác thí nghiệm.
Từ thách thức đến giải pháp sáng tạo
Theo tiêu chuẩn quốc tế IEC 60270 và IEC 60076-3, phép đo PD đòi hỏi độ nhạy cao và môi trường thí nghiệm ổn định để thu được tín hiệu nội bộ chính xác. Tuy nhiên, trong điều kiện thực tế tại các trạm biến áp hoặc nhà máy, các yếu tố bên ngoài như phóng điện tại điểm nhọn, bề mặt sứ bẩn hoặc độ ẩm cao thường sinh ra nhiễu corona, một dạng phóng điện bề mặt, gây ra tín hiệu giả tương tự PD thật.
Những năm trước, khi TNĐMN triển khai đo PD tại các công trình như Nhà máy Nhiệt điện Duyên Hải 1 và 3, Trạm 220kV Mỹ Xuân A, Nhà máy Xi măng Fico Tây Ninh hay Trạm 110kV Đồng An, đội ngũ kỹ sư thường phải đo đi đo lại nhiều lần, mất nhiều nhân lực và thời gian phân tích. Kết quả thí nghiệm dễ gây tranh luận vì khó tách biệt đâu là tín hiệu PD thật bên trong cách điện (internal PD), đâu là nhiễu bên ngoài (external PD).
Trước thực tế đó, nhóm nghiên cứu của TNĐMN đã khởi động đề tài “Thiết kế và chế tạo vòng Corona phục vụ công tác PD test”. Trải qua nhiều lần thử nghiệm, hiệu chỉnh và cải tiến, sản phẩm “vòng Corona” đã chính thức được hoàn thiện và ứng dụng hiệu quả từ năm 2019 đến nay.
Ba lần cải tiến, hoàn thiện một sản phẩm kỹ thuật tinh tế
Ngay từ lần chế tạo đầu tiên, vòng Corona đã chứng minh khả năng giảm nhiễu đáng kể, song hiệu quả chỉ đạt khoảng 50%. Nhóm nghiên cứu tiếp tục điều chỉnh đường kính, độ dày và vật liệu để nâng hiệu suất lên 100% trong điều kiện thí nghiệm nội bộ. Khi ứng dụng tại các nhà máy sản xuất máy biến áp như EEMC, EMC, MEE, VEE, kết quả tiếp tục được kiểm chứng, đồng thời nhóm sáng kiến quyết định cải tiến kiểu kết nối và chiều dài vòng nhằm phù hợp với tất cả chủng loại đầu sứ (bushing) có trên thị trường.
Sản phẩm hoàn thiện được chế tạo hoàn toàn thủ công từ nhôm nguyên chất, đòi hỏi độ tinh xảo và tỉ mỉ cao, chỉ cần một vết cắt nhỏ hay móp méo trên bề mặt cũng có thể làm sai lệch kết quả thí nghiệm. Nhờ thiết kế tối ưu, vòng Corona khi lắp đặt trên đầu sứ của máy biến áp giúp loại bỏ hoàn toàn phóng điện vầng quang, giữ cho tín hiệu PD nội bộ rõ ràng, ổn định và dễ phân tích hơn.
Từ tháng 10/2019 đến nay, sáng kiến vòng Corona đã được TNĐMN áp dụng rộng rãi trong công tác thí nghiệm PD cho máy biến áp 110kV và 220kV, cũng như tại các nhà máy điện và cơ sở sản xuất máy biến áp.
Kết quả cho thấy sáng kiến đã loại bỏ hoàn toàn nhiễu PD external, giúp dữ liệu đo chính xác hơn. Tăng độ tin cậy và thuyết phục của báo cáo thí nghiệm, đặc biệt với khách hàng không chuyên sâu về kỹ thuật. Giảm đáng kể thời gian và nhân lực cần thiết cho mỗi phép đo, tránh việc phải đo lặp lại nhiều lần. Nâng cao uy tín và năng lực chuyên môn của TNĐMN trong lĩnh vực thí nghiệm điện.
Đây không chỉ là một sản phẩm kỹ thuật, mà còn là công cụ hỗ trợ phân tích thông minh, giúp kỹ sư dễ dàng phân biệt tín hiệu PD nội bộ và ngoại vi thông qua các phổ tín hiệu (spectrum) và dạng xung (pulse pattern).
Với thiết kế và chế tạo “Vòng Corona”, TNĐMN đã chuyển giao và thương mại đến các Nhà máy sản xuất Máy biến áp như: EEMC, MEE, EMC, SANAKY,…
Hiệu quả kinh tế và giá trị lan tỏa
Theo tính toán của TNĐMN, tổng chi phí thực hiện một phép đo PD có sử dụng vòng Corona trung bình khoảng 95 triệu đồng, bao gồm phương tiện di chuyển, nhân công kỹ sư, máy thi công và vật liệu tiêu hao. Trong khi đó, chi phí chế tạo một vòng Corona chỉ khoảng 30 triệu đồng, nhưng hiệu quả mang lại giúp giảm thiểu đáng kể rủi ro đo sai, tiết kiệm thời gian và đảm bảo tiến độ cho hàng chục công trình mỗi năm.
Dù chưa thể quy đổi thành con số lợi nhuận cụ thể, nhưng sáng kiến này đã đem lại giá trị kinh tế gián tiếp rất lớn: rút ngắn thời gian thi công, nâng cao chất lượng nghiệm thu, đồng thời giảm thiểu tranh cãi kỹ thuật giữa các bên tham gia dự án.
Sáng kiến “Vòng Corona” là minh chứng rõ rệt cho tinh thần sáng tạo, dám nghĩ dám làm của đội ngũ kỹ sư ngành điện miền Nam. Từ những khó khăn thực tế, tập thể đã tìm ra hướng đi mới, tạo nên sản phẩm có giá trị thực tiễn cao, góp phần quan trọng trong công tác đảm bảo an toàn, độ tin cậy và chất lượng của hệ thống điện quốc gia.
Với sự thành công của sáng kiến này, Công ty Thí nghiệm điện miền Nam (TNĐMN) tiếp tục khẳng định vai trò tiên phong trong lĩnh vực ứng dụng khoa học kỹ thuật vào sản xuất, góp phần thực hiện hiệu quả chủ trương của Tập đoàn Điện lực Việt Nam (EVN) về đổi mới, sáng tạo, nâng cao năng suất và chất lượng công tác thí nghiệm điện./.
Một số hình ảnh:

Minh họa tín hiệu PD trong vật liệu cách điện

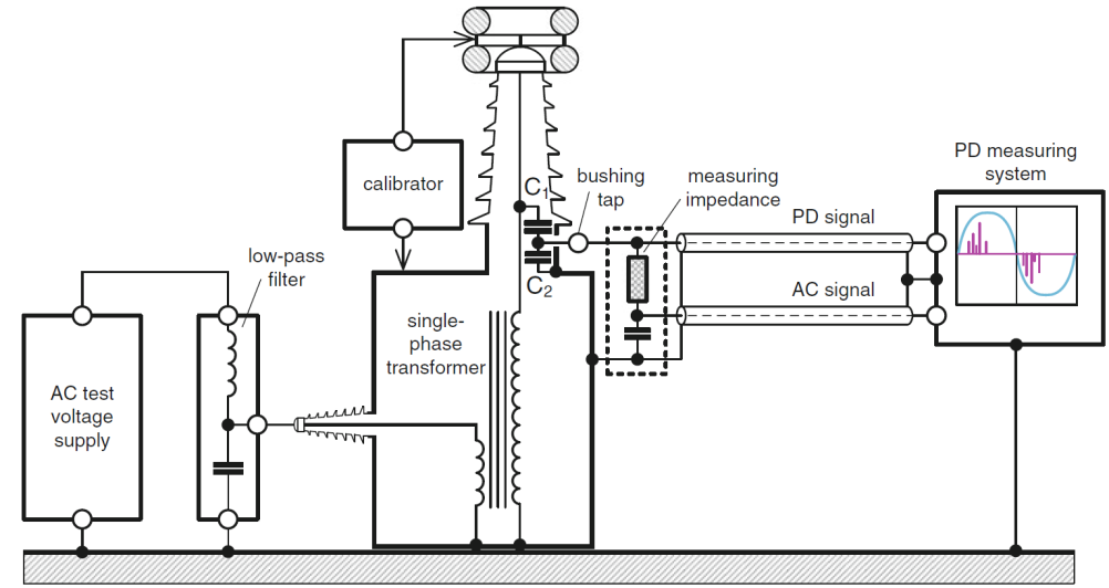
Sơ đồ thí nghiệm phóng điện cục bộ



Nguyễn Trường Hải
Share